磁芯/磁灌线圈
发布日期:2015-12-30 来源:思德隆 标签:九游·官方版web站入口线圈定制 浏览次数:9948
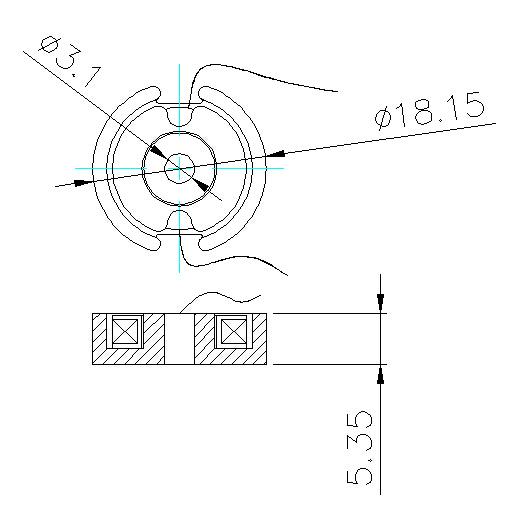
型号:SDL-XP185.3A
产品使用对象:投币器磁芯/投币器磁灌
产品执行功能:
磁芯/磁灌线圈参数
| 电压: | DC12v | 高度: | 5.3mm | 电阻: | 寿命: | ||
| 电流: | 通电率: | 耐温: | 功率: | ||||
| 线圈高斯: | 450gs | 外径: | 18mm |
磁芯/磁灌线圈产品详情
名称:投币器磁芯线圈/投币器磁灌线圈
型号:SDL-XP185.3A
用于游戏机投币器
1.电压:DC12v
2.高斯值:450gs
3.线圈体积较小,安装方便,与磁灌紧密结合,磁性较强,感应良好。
4.磁芯表面光滑,不刺手,便于拿放。
5.外径:18mm
6.高度:5.3mm


广州思德隆电子有限公司(http://www.yummydelicacies.com)创立于2005年,是一家专业生产研发九游·官方版web站入口,电磁阀,Jiuyou j9(中国)定制,小型九游·官方版web站入口等各类电磁产品,拥有丰富行业经验的广州九游·官方版web站入口、电磁阀、Jiuyou j9(中国)厂家。品种多样,规格齐全,产品从零部件到成品组装均有自己的加工设备以及流水线,拥有高精密度检测仪器和自主研发的老化设备,投币器磁芯线圈/投币器磁灌线圈从产品设计到样品以及量产,均有量化高效的工艺流程及老化实验检测,保证了产品的质量与订单的按时交货。
关键词:投币器磁芯线圈,投币器磁灌线圈,厂家订做









