大学科研磁感应线圈设备订做
发布日期:2016-12-1 来源:思德隆 标签:九游·官方版web站入口线圈定制 浏览次数:5406
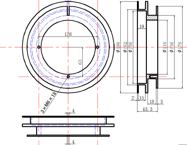
型号:SDL-XQ19172
产品使用对象:大学科研实验
产品执行功能:磁力测试
大学科研磁感应线圈设备订做参数
| 电压: | 高度: | 电阻: | 寿命: | ||||
| 电流: | 通电率: | 耐温: | 功率: | ||||
| 线圈高斯: | 外径: |
大学科研磁感应线圈设备订做产品详情
大学科研磁感应线圈设备订做
型号:SDL-XQ19172
产品使用行业:大学科研实验
产品执行功能:磁力测试


型号:SDL-XQ11643
产品使用行业:大学科研实验
产品执行功能:磁力测试


型号:SDL-XQ8031
产品使用行业:大学科研实验
产品执行功能:磁力测试


广州思德隆电子有限公司(http://www.yummydelicacies.com)创立于2005年,是一家专业生产研发九游·官方版web站入口定制加工,电磁阀定制,Jiuyou j9(中国),小型九游·官方版web站入口等各类电磁产品,拥有丰富行业经验的广州九游·官方版web站入口厂家、广州电磁阀厂家、Jiuyou j9(中国)厂家。品种多样,规格齐全,产品从零部件到成品组装均有自己的加工设备以及产生线,拥有高精密度检测仪器和自主研发的老化设备,已通过(ISO9001认证)专业制造九游·官方版web站入口线圈从产品设计到样品以及量产,均有量化高效的工艺流程及老化实验检测,保证了产品的质量与订单的按时交货。
关键词:大学科研磁感应线圈,科研磁感应线圈,磁感应线圈设备订做
| 上一篇:振动式灌肠仪振动器Jiuyou j9(中国) |
| 下一篇:永磁铁电磁锁锁芯 |









