按应用分类
- 公交车投币器九游·官方版web站入口
- 公交车破窗器九游·官方版web站入口
- 车灯九游·官方版web站入口
- 门锁九游·官方版web站入口
- 防坠器九游·官方版web站入口
- 纺织机九游·官方版web站入口
- 裁线机九游·官方版web站入口
- 绣花机九游·官方版web站入口
- 游戏机九游·官方版web站入口
- 打印机九游·官方版web站入口
- 喷码机九游·官方版web站入口
- 端子机九游·官方版web站入口
- 弹珠机九游·官方版web站入口
- 长行程九游·官方版web站入口
- 起重机九游·官方版web站入口
- 大吸力九游·官方版web站入口
- 自动售米机九游·官方版web站入口
- 自动流水线九游·官方版web站入口
- 选色机九游·官方版web站入口
- 振动盘九游·官方版web站入口
- 机械手九游·官方版web站入口
高频游戏枪击发九游·官方版web站入口
发布日期:2016-8-20 来源:思德隆 标签:游戏机九游·官方版web站入口 浏览次数:7633
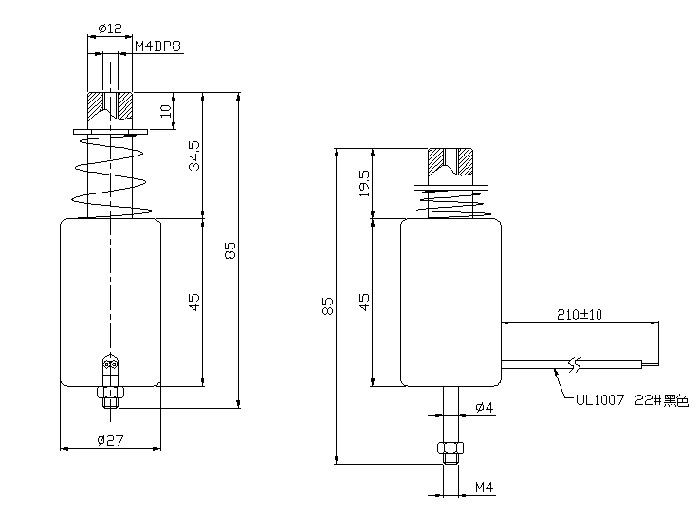
型号:SDL-O1245A-24S28.8
产品使用对象:游戏机游戏枪
产品执行功能:击发器(点击连击)
高频游戏枪击发九游·官方版web站入口参数
| 电压: | DC24V | 行程: | 15MM | 电阻: | 28.8欧 | 功率: | 40W |
| 耐温: | 寿命: | 50万次 | 耐电压: | 初始力: | 0.5KG | ||
| 电流: | 0.83A | 通电率: | 50% | 弹簧回力: | 吸力: |
高频游戏枪击发九游·官方版web站入口产品详情
高频游戏枪击发九游·官方版web站入口
型号:SDL-O1245A-24S28.8
参数
行程:15MM
电压:DC24V
电流:0.83A
电阻:28.8欧
功率:40W
初始力:0.5KG
通电率:50%
寿命:50万次
单次通电时间:0.2S
反应速度:2.5次/秒
环境温度:30℃
温升要求:小于等80℃
产品使用行业:游戏机游戏枪
产品执行功能:击发器(点击连击)
拓展适用行业:自动击发与自动脱落
产品特点:体积小,灵敏度高,高频强力



广州思德隆电子有限公司(http://www.yummydelicacies.com)创立于2005年,是一家专业生产研发九游·官方版web站入口定制加工,电磁阀定制,Jiuyou j9(中国),小型九游·官方版web站入口等各类电磁产品,拥有丰富行业经验的广州九游·官方版web站入口厂家、广州电磁阀厂家、Jiuyou j9(中国)厂家。品种多样,规格齐全,产品从零部件到成品组装均有自己的加工设备以及产生线,拥有高精密度检测仪器和自主研发的老化设备,已通过(ISO9001认证)专业制造游戏机九游·官方版web站入口加工/透镜九游·官方版web站入口从产品设计到样品以及量产,均有量化高效的工艺流程及老化实验检测,保证了产品的质量与订单的按时交货。
关键词:高频游戏枪击发九游·官方版web站入口






