按应用分类
- 公交车投币器九游·官方版web站入口
- 公交车破窗器九游·官方版web站入口
- 车灯九游·官方版web站入口
- 门锁九游·官方版web站入口
- 防坠器九游·官方版web站入口
- 纺织机九游·官方版web站入口
- 裁线机九游·官方版web站入口
- 绣花机九游·官方版web站入口
- 游戏机九游·官方版web站入口
- 打印机九游·官方版web站入口
- 喷码机九游·官方版web站入口
- 端子机九游·官方版web站入口
- 弹珠机九游·官方版web站入口
- 长行程九游·官方版web站入口
- 起重机九游·官方版web站入口
- 大吸力九游·官方版web站入口
- 自动售米机九游·官方版web站入口
- 自动流水线九游·官方版web站入口
- 选色机九游·官方版web站入口
- 振动盘九游·官方版web站入口
- 机械手九游·官方版web站入口
灯饰微动开关九游·官方版web站入口|室内继电器九游·官方版web站入口定做
发布日期:2016-12-5 来源:思德隆 标签:九游·官方版web站入口 浏览次数:5240
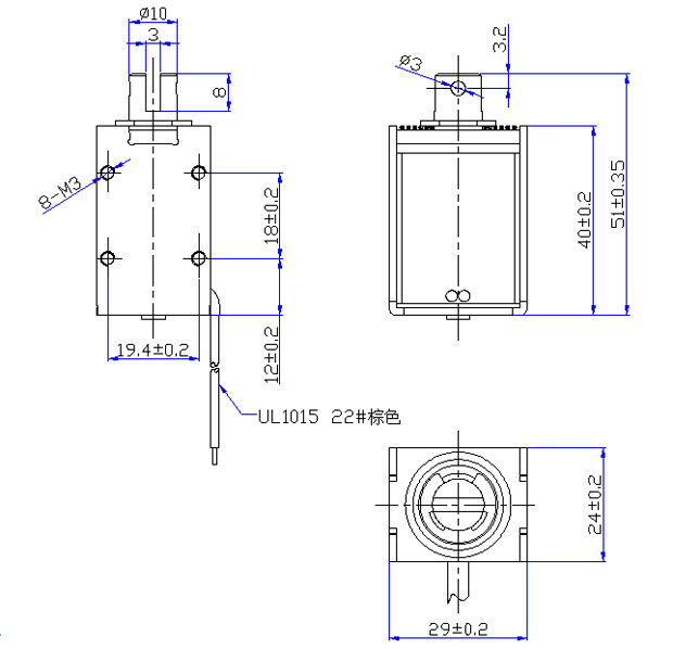
型号:SDL-U1040G-24L22
产品使用对象:室内灯饰
产品执行功能:开关
灯饰微动开关九游·官方版web站入口|室内继电器九游·官方版web站入口定做参数
| 电压: | DC24V | 行程: | 8MM | 电阻: | 22欧 | 功率: | 24W |
| 耐温: | 寿命: | 20万次 | 耐电压: | 初始力: | 800G | ||
| 电流: | 1A | 通电率: | 10% | 弹簧回力: | 吸力: |
灯饰微动开关九游·官方版web站入口|室内继电器九游·官方版web站入口定做产品详情
灯饰微动开关九游·官方版web站入口|室内继电器九游·官方版web站入口定做
型号:SDL-U1040G-24L22
参数
行程:8MM
电压:DC24V
电流:1A
电阻:22欧
功率:24W
初始力:800G
通电率:10%
寿命:20万次
单次通电时间:1秒
使用率:1440次/24H
反应速度:30次/秒
产品使用行业:室内灯饰
产品执行功能:开关
拓展适用行业:机械设备
产品特点:体积小,安装容易;框架式设计散热好。



广州思德隆电子有限公司(http://www.yummydelicacies.com)创立于2005年,是一家专业生产研发九游·官方版web站入口定制加工,电磁阀定制,Jiuyou j9(中国),小型九游·官方版web站入口等各类电磁产品,拥有丰富行业经验的广州九游·官方版web站入口厂家、广州电磁阀厂家、Jiuyou j9(中国)厂家。品种多样,规格齐全,产品从零部件到成品组装均有自己的加工设备以及产生线,拥有高精密度检测仪器和自主研发的老化设备,已通过(ISO9001认证)专业制造继电器九游·官方版web站入口定制/透镜九游·官方版web站入口从产品设计到样品以及量产,均有量化高效的工艺流程及老化实验检测,保证了产品的质量与订单的按时交货。
关键词:灯饰微动开关九游·官方版web站入口,室内继电器九游·官方版web站入口定做
| 上一篇:电梯主机停车安全电磁阀 |
| 下一篇:可代替气缸运动用九游·官方版web站入口 |






