按应用分类
- 公交车投币器九游·官方版web站入口
- 公交车破窗器九游·官方版web站入口
- 车灯九游·官方版web站入口
- 门锁九游·官方版web站入口
- 防坠器九游·官方版web站入口
- 纺织机九游·官方版web站入口
- 裁线机九游·官方版web站入口
- 绣花机九游·官方版web站入口
- 游戏机九游·官方版web站入口
- 打印机九游·官方版web站入口
- 喷码机九游·官方版web站入口
- 端子机九游·官方版web站入口
- 弹珠机九游·官方版web站入口
- 长行程九游·官方版web站入口
- 起重机九游·官方版web站入口
- 大吸力九游·官方版web站入口
- 自动售米机九游·官方版web站入口
- 自动流水线九游·官方版web站入口
- 选色机九游·官方版web站入口
- 振动盘九游·官方版web站入口
- 机械手九游·官方版web站入口
直流24V游戏弹珠机九游·官方版web站入口
发布日期:2017-3-22 来源:思德隆 标签:九游·官方版web站入口定制 浏览次数:5485
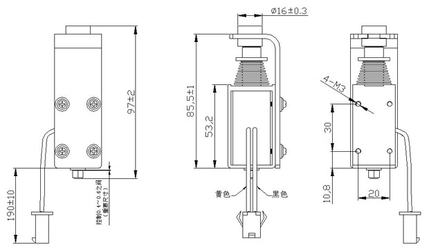
型号:SDL-U1253H-24S7.7
产品使用对象:游戏弹珠机
产品执行功能:接球击打
直流24V游戏弹珠机九游·官方版web站入口参数
| 电压: | DC24V | 行程: | 13MM | 电阻: | 7.7欧 | 功率: | 74.4W |
| 耐温: | 寿命: | 50万次 | 耐电压: | 初始力: | 1KG | ||
| 电流: | 3.1A | 通电率: | 10% | 弹簧回力: | 吸力: |
直流24V游戏弹珠机九游·官方版web站入口产品详情
直流24V游戏弹珠机九游·官方版web站入口
型号:SDL-U1253H-24S7.7
参数
行程:13MM
电压:DC24V
电流:3.1A
初始力:1KG
通电率:10%
电阻:7.7欧
功率:74.4W
寿命:50万次
单次通电时间:0.2S
反应速度:10次/秒
是否防水:否
是否耐油:否
产品使用行业:游戏机
产品执行功能:接球击打
产品特点:故障率小,耐用。




广州思德隆电子有限公司(http://www.yummydelicacies.com)创立于2005年,是一家专业生产研发九游·官方版web站入口定制加工,电磁阀定制,Jiuyou j9(中国),小型九游·官方版web站入口等各类电磁产品,拥有丰富行业经验的广州九游·官方版web站入口厂家、广州电磁阀厂家、Jiuyou j9(中国)厂家。品种多样,规格齐全,产品从零部件到成品组装均有自己的加工设备以及产生线,拥有高精密度检测仪器和自主研发的老化设备,已通过(ISO9001认证)专业制造直流弹珠机九游·官方版web站入口,24V游戏机九游·官方版web站入口从产品设计到样品以及量产,均有量化高效的工艺流程及老化实验检测,保证了产品的质量与订单的按时交货。
/newsinfo-93.html
/newsinfo-95.html
/newsinfo-96.html
/newsinfo-97.html
关键词:直流弹珠机九游·官方版web站入口,24V游戏机九游·官方版web站入口






