按应用分类
- 公交车投币器九游·官方版web站入口
- 公交车破窗器九游·官方版web站入口
- 车灯九游·官方版web站入口
- 门锁九游·官方版web站入口
- 防坠器九游·官方版web站入口
- 纺织机九游·官方版web站入口
- 裁线机九游·官方版web站入口
- 绣花机九游·官方版web站入口
- 游戏机九游·官方版web站入口
- 打印机九游·官方版web站入口
- 喷码机九游·官方版web站入口
- 端子机九游·官方版web站入口
- 弹珠机九游·官方版web站入口
- 长行程九游·官方版web站入口
- 起重机九游·官方版web站入口
- 大吸力九游·官方版web站入口
- 自动售米机九游·官方版web站入口
- 自动流水线九游·官方版web站入口
- 选色机九游·官方版web站入口
- 振动盘九游·官方版web站入口
- 机械手九游·官方版web站入口
12V车灯透镜变光九游·官方版web站入口
发布日期:2017-3-25 来源:思德隆 标签:车灯九游·官方版web站入口定制 浏览次数:6381
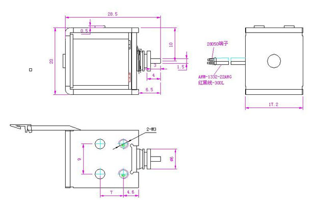
型号:SDL-U0622H-12L20
产品使用对象:车灯照明
产品执行功能:近远光切换
12V车灯透镜变光九游·官方版web站入口参数
| 电压: | DC12V | 行程: | 5mm | 电阻: | 20欧 | 功率: | 7.2W |
| 耐温: | 寿命: | 耐电压: | 初始力: | ||||
| 电流: | 0.6A | 通电率: | 弹簧回力: | 吸力: |
12V车灯透镜变光九游·官方版web站入口产品详情
12V车灯透镜变光九游·官方版web站入口
型号:SDL-U0622H-12L20
参数:
电压:DC12V
行程:5mm
电流:0.6A
电阻:20欧
功率:7.2W
单次通电时间:24H
环境温度:200
产品使用行业:车灯照明
产品执行功能:近远光切换
拓展适用行业:高温开关
产品特点:远光24小时开启不烧坏,耐高温。


.jpg)
广州思德隆电子有限公司(http://www.yummydelicacies.com)创立于2005年,是一家专业生产研发九游·官方版web站入口定制加工,电磁阀定制,Jiuyou j9(中国),小型九游·官方版web站入口等各类电磁产品,拥有丰富行业经验的广州九游·官方版web站入口厂家、广州电磁阀厂家、Jiuyou j9(中国)厂家。品种多样,规格齐全,产品从零部件到成品组装均有自己的加工设备以及产生线,拥有高精密度检测仪器和自主研发的老化设备,已通过(ISO9001认证)专业制造12V透镜变光九游·官方版web站入口,车灯透镜变光九游·官方版web站入口从产品设计到样品以及量产,均有量化高效的工艺流程及老化实验检测,保证了产品的质量与订单的按时交货。
/coinfo-34.html
/coinfo-35.html
/coinfo-36.html
/vainfo-19.html
关键词:12V透镜变光九游·官方版web站入口,车灯透镜变光九游·官方版web站入口






