按应用分类
- 公交车投币器九游·官方版web站入口
- 公交车破窗器九游·官方版web站入口
- 车灯九游·官方版web站入口
- 门锁九游·官方版web站入口
- 防坠器九游·官方版web站入口
- 纺织机九游·官方版web站入口
- 裁线机九游·官方版web站入口
- 绣花机九游·官方版web站入口
- 游戏机九游·官方版web站入口
- 打印机九游·官方版web站入口
- 喷码机九游·官方版web站入口
- 端子机九游·官方版web站入口
- 弹珠机九游·官方版web站入口
- 长行程九游·官方版web站入口
- 起重机九游·官方版web站入口
- 大吸力九游·官方版web站入口
- 自动售米机九游·官方版web站入口
- 自动流水线九游·官方版web站入口
- 选色机九游·官方版web站入口
- 振动盘九游·官方版web站入口
- 机械手九游·官方版web站入口
共享移动电源用微型九游·官方版web站入口
发布日期:2017-5-23 来源:思德隆 标签:微型九游·官方版web站入口 浏览次数:5834
型号:SDL-U0837D-12S06
产品使用对象:共享移动电源,充电宝
产品执行功能:推拉机构
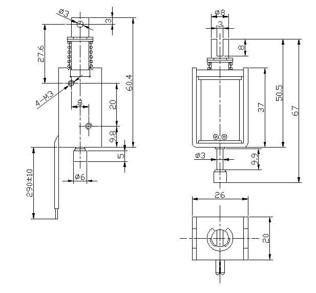
共享移动电源用微型九游·官方版web站入口参数
| 电压: | DC12V | 行程: | 10MM | 电阻: | 6 | 功率: | 24W |
| 耐温: | 寿命: | 20万次 | 耐电压: | 初始力: | 大于100G | ||
| 电流: | 2A | 通电率: | 25% | 弹簧回力: | 吸力: |
共享移动电源用微型九游·官方版web站入口产品详情
共享移动电源用微型九游·官方版web站入口
型号:SDL-U0837D-12S06
参数
行程:10MM
电压:DC12V
电流:2A
电阻:6
功率:24W
初始力:大于100G
通电率:25%
寿命:20万次
单次通电时间:1S
产品使用行业:共享移动电源,充电宝
产品执行功能:推拉机构
拓展适用行业:门锁,自动生产线
产品特点:体积小,方便安装,工作无噪音。




广州思德隆电子有限公司(/)创立于2005年,是一家专业生产研发九游·官方版web站入口定制加工,小型九游·官方版web站入口等各类电磁产品,拥有丰富行业经验的广州九游·官方版web站入口厂家、电磁阀厂家、Jiuyou j9(中国)厂家。品种多样,规格齐全,产品从零部件到成品组装均有自己的加工设备以及产生线,拥有高精密度检测仪器和自主研发的老化设备,产品设计到样品以及量产,均有量化高效的工艺流程及老化实验检测,保证了产品的质量与订单的按时交货。
关键词:共享移动电源用微型九游·官方版web站入口






