按应用分类
- 公交车投币器九游·官方版web站入口
- 公交车破窗器九游·官方版web站入口
- 车灯九游·官方版web站入口
- 门锁九游·官方版web站入口
- 防坠器九游·官方版web站入口
- 纺织机九游·官方版web站入口
- 裁线机九游·官方版web站入口
- 绣花机九游·官方版web站入口
- 游戏机九游·官方版web站入口
- 打印机九游·官方版web站入口
- 喷码机九游·官方版web站入口
- 端子机九游·官方版web站入口
- 弹珠机九游·官方版web站入口
- 长行程九游·官方版web站入口
- 起重机九游·官方版web站入口
- 大吸力九游·官方版web站入口
- 自动售米机九游·官方版web站入口
- 自动流水线九游·官方版web站入口
- 选色机九游·官方版web站入口
- 振动盘九游·官方版web站入口
- 机械手九游·官方版web站入口
电饭煲用交流小型推拉开关九游·官方版web站入口定制
发布日期:2017-7-22 来源:思德隆 标签:合闸九游·官方版web站入口 浏览次数:5760
型号:SDL-U0837E-220S3600
产品使用对象:苏泊尔电饭煲
产品执行功能:推拉开关
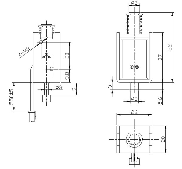
电饭煲用交流小型推拉开关九游·官方版web站入口定制参数
| 电压: | AC220V | 行程: | 9MM | 电阻: | 3600 | 功率: | 13.4W |
| 耐温: | 寿命: | 20万次 | 耐电压: | 初始力: | 90G以上 | ||
| 电流: | 61MA | 通电率: | 25% | 弹簧回力: | 吸力: |
电饭煲用交流小型推拉开关九游·官方版web站入口定制产品详情
电饭煲用交流小型推拉开关九游·官方版web站入口定制
型号:SDL-U0837E-220S3600
参数
行程:9MM
电压:AC220V
电流:61MA
电阻:3600
功率:13.4W
初始力:90G以上
通电率:25%
寿命:20万次
产品使用对象:苏泊尔电饭煲
产品执行功能:推拉开关
拓展适用行业:自动门锁
产品特点:体积小,磁力大,安装方便。




广州思德隆电子有限公司(/)创立于2005年,是一家专业生产研发九游·官方版web站入口定制加工,,小型九游·官方版web站入口等各类电磁产品,拥有丰富行业经验的广州九游·官方版web站入口厂家、品种多样,规格齐全,产品从零部件到成品组装均有自己的加工设备以及产生线,拥有高精密度检测仪器和自主研发的老化设备,已通过(ISO9001认证)专业制造电饭煲用交流小型推拉开关九游·官方版web站入口从产品设计到样品以及量产,均有量化高效的工艺流程及老化实验检测,保证了产品的质量与订单的按时交货。
关键词:电饭煲,交流小型推拉开关九游·官方版web站入口,开关九游·官方版web站入口定制






