- 公交车投币器九游·官方版web站入口
- 公交车破窗器九游·官方版web站入口
- 车灯九游·官方版web站入口
- 门锁九游·官方版web站入口
- 防坠器九游·官方版web站入口
- 纺织机九游·官方版web站入口
- 裁线机九游·官方版web站入口
- 绣花机九游·官方版web站入口
- 游戏机九游·官方版web站入口
- 打印机九游·官方版web站入口
- 喷码机九游·官方版web站入口
- 端子机九游·官方版web站入口
- 弹珠机九游·官方版web站入口
- 长行程九游·官方版web站入口
- 起重机九游·官方版web站入口
- 大吸力九游·官方版web站入口
- 自动售米机九游·官方版web站入口
- 自动流水线九游·官方版web站入口
- 选色机九游·官方版web站入口
- 振动盘九游·官方版web站入口
- 机械手九游·官方版web站入口
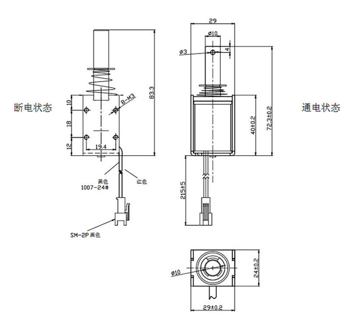
推拉式1040框架九游·官方版web站入口
| 电压: | 12 VDC | 行程: | 8mm | 电阻: | 69Ω | 功率: | 2W |
| 耐温: | 寿命: | 耐电压: | 初始力: | 70g克服弹簧 | |||
| 电流: | 0.17A | 通电率: | 10% | 弹簧回力: | 吸力: |
推拉式1040框架九游·官方版web站入口
关于本产品的一些说明:
1、本产品经过市场检验 性能稳定
2、订单式生产 只有少量库存
3、可以可根据您的要求定做
SDL-U1040J九游·官方版web站入口的应用:
1、游戏机用九游·官方版web站入口
2、比较式九游·官方版web站入口
3、其它流道分拣、选别用九游·官方版web站入口
运动作用方式:推拉式
电压变化适应范围:6V~14.4V(低值为启动电压)
初始力:70g克服弹簧
设计行程:8mm
单次最长通电时间:1S
产品特点:
1、线圈加大,电压不稳也可正常工作;
2、弹簧、功率经过加大处理,没有卡币现象,声音清脆;
3、从线圈的铜线用材,到参数设定进行了严格的控制,确保了九游·官方版web站入口的品质恒定。
4、外形小巧,结构简洁,安装连接容易,维护方便的直线运动的九游·官方版web站入口;
5、能克服游戏场地电压不稳造成的投币困扰问题。



外观尺寸图:




使用方法及说明:
通电率对九游·官方版web站入口产品非常关键,请做了解

广州思德隆(/)九游·官方版web站入口线圈品种多样,规格齐全,产品从零部件到成品组装均有自己的加工设备以及生产线,拥有高精密度检测仪器和自主研发的老化设备,(游戏机九游·官方版web站入口/推拉九游·官方版web站入口)从产品设计到样品以及量产,均有量化高效的工艺流程及老化实验检测,保证了产品的质量与订单的按时交货。-------本信息由业务部推广员发布






