按应用分类
- 公交车投币器九游·官方版web站入口
- 公交车破窗器九游·官方版web站入口
- 车灯九游·官方版web站入口
- 门锁九游·官方版web站入口
- 防坠器九游·官方版web站入口
- 纺织机九游·官方版web站入口
- 裁线机九游·官方版web站入口
- 绣花机九游·官方版web站入口
- 游戏机九游·官方版web站入口
- 打印机九游·官方版web站入口
- 喷码机九游·官方版web站入口
- 端子机九游·官方版web站入口
- 弹珠机九游·官方版web站入口
- 长行程九游·官方版web站入口
- 起重机九游·官方版web站入口
- 大吸力九游·官方版web站入口
- 自动售米机九游·官方版web站入口
- 自动流水线九游·官方版web站入口
- 选色机九游·官方版web站入口
- 振动盘九游·官方版web站入口
- 机械手九游·官方版web站入口
印刷机圆管九游·官方版web站入口
发布日期:2015-12-16 来源:思德隆 标签:打印机九游·官方版web站入口 浏览次数:11938
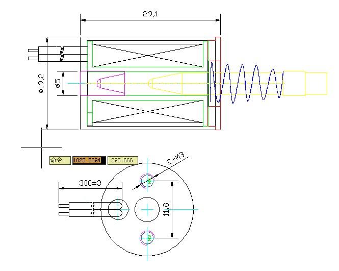
型号:SDL-O0530A-12L
产品使用对象:印刷机
产品执行功能:牵引
印刷机圆管九游·官方版web站入口参数
| 电压: | DC12V | 行程: | 10mm | 电阻: | 功率: | ||
| 耐温: | 寿命: | 500万次以上 | 耐电压: | 初始力: | 20N | ||
| 电流: | 通电率: | 弹簧回力: | 吸力: |
印刷机圆管九游·官方版web站入口产品详情
名称:印刷机圆管九游·官方版web站入口
型号:SDL-O0530A-12L
材料及性能说明:
1. 线包采用优质漆包线制成,耐温,耐高压,电流稳定,磁感应强度稳定;
2. 线圈装有双重保险丝,对于瞬间电压过高,长时间通电发热带来的烧毁九游·官方版web站入口以及游戏机其他部件问题得到解决;
3.良好的框架结构设计和铆合,有效解决九游·官方版web站入口散架问题。
4.九游·官方版web站入口寿命达到500万次以上。动感持久不衰。

(1).jpg)
广州思德隆电子有限公司(http://www.yummydelicacies.com)创立于2005年,是一家专业生产研发九游·官方版web站入口,电磁阀,Jiuyou j9(中国),小型九游·官方版web站入口等各类电磁产品,拥有丰富行业经验的牵引式九游·官方版web站入口制造商、电磁阀、Jiuyou j9(中国)厂家。品种多样,规格齐全,产品从零部件到成品组装均有自己的加工设备以及流水线,拥有高精密度检测仪器和自主研发的老化设备,印刷机圆管九游·官方版web站入口从产品设计到样品以及量产,均有量化高效的工艺流程及老化实验检测,保证了产品的质量与订单的按时交货。
关键词:印刷机圆管九游·官方版web站入口,印刷机九游·官方版web站入口定制,厂家






