- 公交车投币器九游·官方版web站入口
- 公交车破窗器九游·官方版web站入口
- 车灯九游·官方版web站入口
- 门锁九游·官方版web站入口
- 防坠器九游·官方版web站入口
- 纺织机九游·官方版web站入口
- 裁线机九游·官方版web站入口
- 绣花机九游·官方版web站入口
- 游戏机九游·官方版web站入口
- 打印机九游·官方版web站入口
- 喷码机九游·官方版web站入口
- 端子机九游·官方版web站入口
- 弹珠机九游·官方版web站入口
- 长行程九游·官方版web站入口
- 起重机九游·官方版web站入口
- 大吸力九游·官方版web站入口
- 自动售米机九游·官方版web站入口
- 自动流水线九游·官方版web站入口
- 选色机九游·官方版web站入口
- 振动盘九游·官方版web站入口
- 机械手九游·官方版web站入口
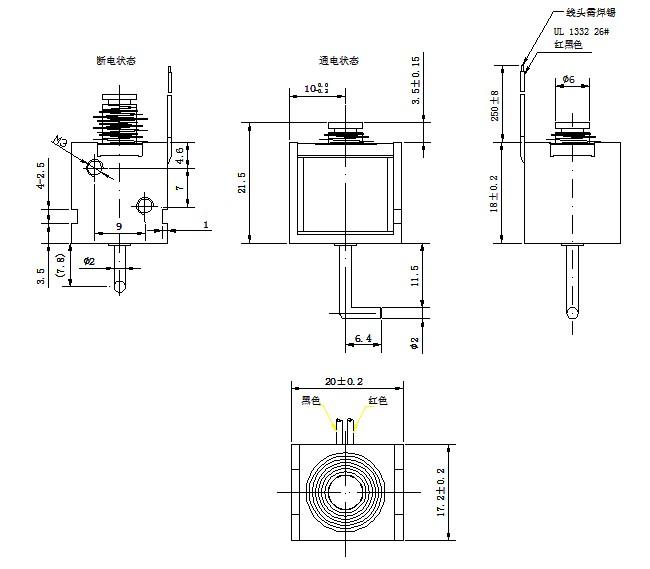
汽车前大灯九游·官方版web站入口
| 电压: | DC12V | 行程: | 电阻: | 功率: | |||
| 耐温: | 寿命: | 耐电压: | 初始力: | ||||
| 电流: | 0.6A | 通电率: | 弹簧回力: | 吸力: |
名称:汽车前大灯九游·官方版web站入口
型号:SDL-U0616A-12S
性能优劣:
1. 九游·官方版web站入口铁芯耐磨,撞击性好,长年使用顶部无损。
2. 铁芯活动灵活,反应速度快。
3. 九游·官方版web站入口的线轴采用美国杜邦材料耐高温耐磨损。
4. 九游·官方版web站入口温升50~220℃其吸力仍稳定安全可靠。
5. 九游·官方版web站入口温升50~220℃其弹簧弹力仍稳定。
6. 九游·官方版web站入口的铁芯不用油浸,使用寿命更长。
7. 九游·官方版web站入口的铁芯运行定位精准。
8. 高频运行时铁芯活动稳定,无抖晃现象。
9. 耐高压可达到1500V~1800V/2MA左右。
10. 九游·官方版web站入口的线圈是采用德国漆包线绕制而成。
11. 九游·官方版web站入口的线圈导电性好、耗电少、发热量低、耐温180℃、最高可达250℃。
12. 制作九游·官方版web站入口使用的所有材料采均采用环保处理,无毒,无污染,安全可靠。
13. 铁芯采用特殊工艺制成。耐磨、撞击性好,长年使用顶部无磨损。
14. 保持式九游·官方版web站入口采用优质磁铁,磁铁吸力稳定,安全可靠。
15. 九游·官方版web站入口支架正常运行800万次以上不脱落。
16. 九游·官方版web站入口在250度高温下运作正常。
17.后有拉钩,可代替Q5九游·官方版web站入口电磁阀,成本低,性能稳定。

.jpg)
广州思德隆电子有限公司(http://www.yummydelicacies.com)创立于2005年,是一家专业生产研发九游·官方版web站入口,电磁阀,Jiuyou j9(中国),小型九游·官方版web站入口等各类电磁产品,拥有丰富行业经验的广州推拉式九游·官方版web站入口定制、电磁阀、Jiuyou j9(中国)厂家。品种多样,规格齐全,产品从零部件到成品组装均有自己的加工设备以及流水线,拥有高精密度检测仪器和自主研发的老化设备,汽车前大灯九游·官方版web站入口从产品设计到样品以及量产,均有量化高效的工艺流程及老化实验检测,保证了产品的质量与订单的按时交货。






