按应用分类
- 公交车投币器九游·官方版web站入口
- 公交车破窗器九游·官方版web站入口
- 车灯九游·官方版web站入口
- 门锁九游·官方版web站入口
- 防坠器九游·官方版web站入口
- 纺织机九游·官方版web站入口
- 裁线机九游·官方版web站入口
- 绣花机九游·官方版web站入口
- 游戏机九游·官方版web站入口
- 打印机九游·官方版web站入口
- 喷码机九游·官方版web站入口
- 端子机九游·官方版web站入口
- 弹珠机九游·官方版web站入口
- 长行程九游·官方版web站入口
- 起重机九游·官方版web站入口
- 大吸力九游·官方版web站入口
- 自动售米机九游·官方版web站入口
- 自动流水线九游·官方版web站入口
- 选色机九游·官方版web站入口
- 振动盘九游·官方版web站入口
- 机械手九游·官方版web站入口
电梯安全装置触发九游·官方版web站入口
发布日期:2015-12-28 来源:思德隆 标签:游戏机九游·官方版web站入口加工 浏览次数:10119
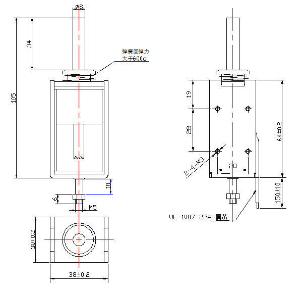
型号:SDL-U1564A-24S32
产品使用对象:电梯安全装置紧急制动
产品执行功能:推动安全装置部件
电梯安全装置触发九游·官方版web站入口参数
| 电压: | DC24 | 行程: | 10mm | 电阻: | 32欧 | 功率: | 通电10min断1s |
| 耐温: | 155度 | 寿命: | 50万次 | 耐电压: | 1500V | 初始力: | 600G |
| 电流: | 通电率: | 弹簧回力: | 600g | 吸力: | 6N |
电梯安全装置触发九游·官方版web站入口产品详情
电梯安全装置制动九游·官方版web站入口-SDL-U1564
此款九游·官方版web站入口弹簧回弹力度600g,克服弹簧力度,长时间通电,九游·官方版web站入口发热能够顺利吸合,提供2H,4H,8H,16H,24H,48H九游·官方版web站入口
产品亮点:长时间通电,运动顺畅,最低吸合电压可为20V(温度稳定后)


广州思德隆电子有限公司(http://www.yummydelicacies.com)创立于2005年,是一家专业生产研发九游·官方版web站入口,电磁阀,Jiuyou j9(中国),小型九游·官方版web站入口等各类电磁产品,拥有丰富行业经验的广州九游·官方版web站入口厂家、广州电磁阀厂家、广州Jiuyou j9(中国)厂家。品种多样,规格齐全,产品从零部件到成品组装均有自己的加工设备以及流水线,拥有高精密度检测仪器和自主研发的老化设备,电梯安全装置制动九游·官方版web站入口从产品设计到样品以及量产,均有量化高效的工艺流程及老化实验检测,保证了产品的质量与订单的按时交货。
关键词:制动九游·官方版web站入口,电梯安全装置九游·官方版web站入口,电梯安全制动九游·官方版web站入口






