按应用分类
- 公交车投币器九游·官方版web站入口
- 公交车破窗器九游·官方版web站入口
- 车灯九游·官方版web站入口
- 门锁九游·官方版web站入口
- 防坠器九游·官方版web站入口
- 纺织机九游·官方版web站入口
- 裁线机九游·官方版web站入口
- 绣花机九游·官方版web站入口
- 游戏机九游·官方版web站入口
- 打印机九游·官方版web站入口
- 喷码机九游·官方版web站入口
- 端子机九游·官方版web站入口
- 弹珠机九游·官方版web站入口
- 长行程九游·官方版web站入口
- 起重机九游·官方版web站入口
- 大吸力九游·官方版web站入口
- 自动售米机九游·官方版web站入口
- 自动流水线九游·官方版web站入口
- 选色机九游·官方版web站入口
- 振动盘九游·官方版web站入口
- 机械手九游·官方版web站入口
门锁开关控制九游·官方版web站入口
发布日期:2016-6-2 来源:思德隆 标签:门锁九游·官方版web站入口 浏览次数:9485
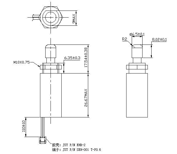
型号:SDL-O0527A-24L9.6
产品使用对象:门锁
产品执行功能:开关
门锁开关控制九游·官方版web站入口参数
| 电压: | DC24V | 行程: | 1MM | 电阻: | 9.6欧 | 功率: | 60W |
| 耐温: | 寿命: | 20万次 | 耐电压: | 初始力: | 575G | ||
| 电流: | 2.5A | 通电率: | 10% | 弹簧回力: | 吸力: |
门锁开关控制九游·官方版web站入口产品详情
门锁开关控制九游·官方版web站入口
型号:SDL-O0527A-24L9.6
参数
行程:1MM
电压:DC24V
电流:2.5A
电阻:9.6欧
功率:60W
初始力:575G
通电率:10%
寿命:20万次
环境温度:20度
是否防水:是
产品使用行业:门锁
产品执行功能:开关
拓展适用行业:机械设备
产品特点:体识小,吸力大。寿命长。


/elinfo-91.html
/elinfo-104.html
/elinfo-108.html
/elinfo-109.html
/elinfo-110.html
/elinfo-111.html
/elinfo-112.html
广州思德隆电子有限公司(http://www.yummydelicacies.com)创立于2005年,是一家专业生产研发九游·官方版web站入口定制加工,电磁阀定制,Jiuyou j9(中国),小型九游·官方版web站入口等各类电磁产品,拥有丰富行业经验的广州九游·官方版web站入口厂家、广州电磁阀厂家、Jiuyou j9(中国)厂家。品种多样,规格齐全,产品从零部件到成品组装均有自己的加工设备以及产生线,拥有高精密度检测仪器和自主研发的老化设备,已通过(ISO9001认证)专业制造感应自动门九游·官方版web站入口/透镜九游·官方版web站入口从产品设计到样品以及量产,均有量化高效的工艺流程及老化实验检测,保证了产品的质量与订单的按时交货。
关键词:门锁控制九游·官方版web站入口,门锁开关九游·官方版web站入口,开关控制九游·官方版web站入口,开关控制九游·官方版web站入口定制






