按应用分类
- 公交车投币器九游·官方版web站入口
- 公交车破窗器九游·官方版web站入口
- 车灯九游·官方版web站入口
- 门锁九游·官方版web站入口
- 防坠器九游·官方版web站入口
- 纺织机九游·官方版web站入口
- 裁线机九游·官方版web站入口
- 绣花机九游·官方版web站入口
- 游戏机九游·官方版web站入口
- 打印机九游·官方版web站入口
- 喷码机九游·官方版web站入口
- 端子机九游·官方版web站入口
- 弹珠机九游·官方版web站入口
- 长行程九游·官方版web站入口
- 起重机九游·官方版web站入口
- 大吸力九游·官方版web站入口
- 自动售米机九游·官方版web站入口
- 自动流水线九游·官方版web站入口
- 选色机九游·官方版web站入口
- 振动盘九游·官方版web站入口
- 机械手九游·官方版web站入口
门柜插销九游·官方版web站入口
发布日期:2016-6-3 来源:思德隆 标签:门锁九游·官方版web站入口厂家 浏览次数:8581
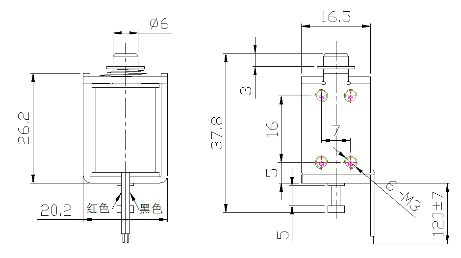
型号:SDL-U0626
产品使用对象:柜锁
产品执行功能:自动销子
门柜插销九游·官方版web站入口参数
| 电压: | DC9V | 行程: | 5MM | 电阻: | 3欧 | 功率: | 27W |
| 耐温: | 寿命: | 7200次 | 耐电压: | 初始力: | 260G | ||
| 电流: | 3A | 通电率: | 1% | 弹簧回力: | 吸力: |
门柜插销九游·官方版web站入口产品详情
门柜插销九游·官方版web站入口
型号:SDL-U0626
参数
电压:DC9V
电流:3A
功率:27W
电阻:3欧
行程:5MM
初始力:260G
通电率:1%
寿命:7200次
单次通电时间:0.1S
使用率:20次/24H
环境温度:40度
产品使用行业:柜锁
产品执行功能:自动销子
拓展适用行业:自动门锁
产品特点:销子经过热处理,摩擦力大大减小,耐磨。


广州思德隆电子有限公司(http://www.yummydelicacies.com)创立于2005年,是一家专业生产研发九游·官方版web站入口定制加工,电磁阀定制,Jiuyou j9(中国),小型九游·官方版web站入口等各类电磁产品,拥有丰富行业经验的广州九游·官方版web站入口厂家、广州电磁阀厂家、Jiuyou j9(中国)厂家。品种多样,规格齐全,产品从零部件到成品组装均有自己的加工设备以及产生线,拥有高精密度检测仪器和自主研发的老化设备,已通过(ISO9001认证)专业制造纺织机九游·官方版web站入口/游戏机九游·官方版web站入口从产品设计到样品以及量产,均有量化高效的工艺流程及老化实验检测,保证了产品的质量与订单的按时交货。
关键词:门柜插销九游·官方版web站入口,插销九游·官方版web站入口,插销九游·官方版web站入口定做
| 上一篇:门锁开关控制九游·官方版web站入口 |
| 下一篇:卡车透镜电磁阀DC24V |






