按应用分类
- 公交车投币器九游·官方版web站入口
- 公交车破窗器九游·官方版web站入口
- 车灯九游·官方版web站入口
- 门锁九游·官方版web站入口
- 防坠器九游·官方版web站入口
- 纺织机九游·官方版web站入口
- 裁线机九游·官方版web站入口
- 绣花机九游·官方版web站入口
- 游戏机九游·官方版web站入口
- 打印机九游·官方版web站入口
- 喷码机九游·官方版web站入口
- 端子机九游·官方版web站入口
- 弹珠机九游·官方版web站入口
- 长行程九游·官方版web站入口
- 起重机九游·官方版web站入口
- 大吸力九游·官方版web站入口
- 自动售米机九游·官方版web站入口
- 自动流水线九游·官方版web站入口
- 选色机九游·官方版web站入口
- 振动盘九游·官方版web站入口
- 机械手九游·官方版web站入口
停车闭锁单保持式九游·官方版web站入口
发布日期:2016-11-21 来源:思德隆 标签:九游·官方版web站入口定制 浏览次数:6695
型号:SDL-DBC1037A-36L02
产品使用对象:高尔夫球包车
产品执行功能:停车锁死
停车闭锁单保持式九游·官方版web站入口参数
| 电压: | DC36V | 行程: | 6mm | 电阻: | 2欧 | 功率: | 648W |
| 耐温: | 寿命: | 10万次 | 耐电压: | 初始力: | 3.5Kg | ||
| 电流: | 18A | 通电率: | 5% | 弹簧回力: | 吸力: |
停车闭锁单保持式九游·官方版web站入口产品详情
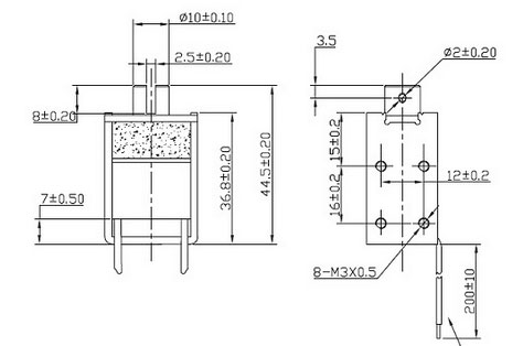
停车闭锁单保持式九游·官方版web站入口
型号:SDL-DBC1037A-36L02
参数
行程:6mm
电压:DC36V
电流:18A
电阻:2欧
功率:648W
推拉力:2KG
保持力:1.5KG
初始力:3.5Kg
通电率:5%
寿命:10万次
单次通电时间:1S
产品使用行业:高尔夫球包车
产品执行功能:停车锁死
拓展适用行业:智能遥控停车
产品特点:推拉力2KG,保持力1.5KG,推拉时间不限。



广州思德隆电子有限公司(http://www.yummydelicacies.com)创立于2005年,是一家专业生产研发九游·官方版web站入口定制加工,电磁阀定制,Jiuyou j9(中国),小型九游·官方版web站入口等各类电磁产品,拥有丰富行业经验的广州九游·官方版web站入口厂家、广州电磁阀厂家、Jiuyou j9(中国)厂家。品种多样,规格齐全,产品从零部件到成品组装均有自己的加工设备以及产生线,拥有高精密度检测仪器和自主研发的老化设备,已通过(ISO9001认证)专业制造推拉式九游·官方版web站入口/吸盘式九游·官方版web站入口从产品设计到样品以及量产,均有量化高效的工艺流程及老化实验检测,保证了产品的质量与订单的按时交货。
关键词:停车闭锁单保持式九游·官方版web站入口






