按应用分类
- 公交车投币器九游·官方版web站入口
- 公交车破窗器九游·官方版web站入口
- 车灯九游·官方版web站入口
- 门锁九游·官方版web站入口
- 防坠器九游·官方版web站入口
- 纺织机九游·官方版web站入口
- 裁线机九游·官方版web站入口
- 绣花机九游·官方版web站入口
- 游戏机九游·官方版web站入口
- 打印机九游·官方版web站入口
- 喷码机九游·官方版web站入口
- 端子机九游·官方版web站入口
- 弹珠机九游·官方版web站入口
- 长行程九游·官方版web站入口
- 起重机九游·官方版web站入口
- 大吸力九游·官方版web站入口
- 自动售米机九游·官方版web站入口
- 自动流水线九游·官方版web站入口
- 选色机九游·官方版web站入口
- 振动盘九游·官方版web站入口
- 机械手九游·官方版web站入口
12V灯光学仪器用推拉九游·官方版web站入口
发布日期:2017-3-25 来源:思德隆 标签:推拉式九游·官方版web站入口 浏览次数:6068
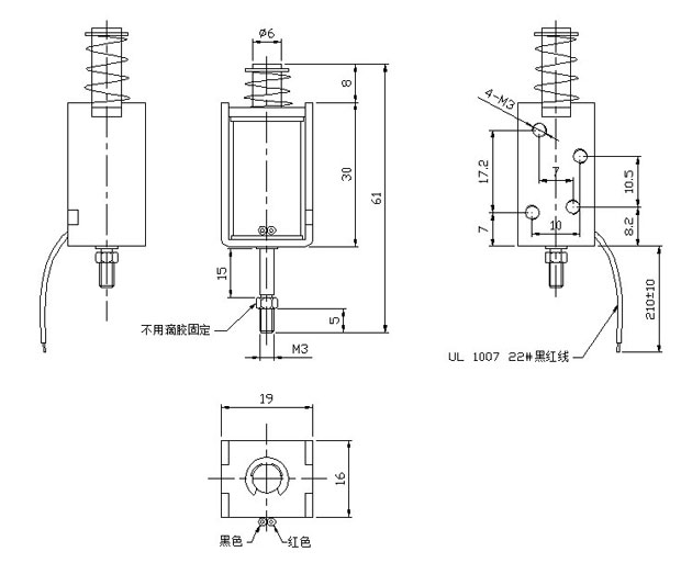
型号:SDL-U0630E-12S40
产品使用对象:光学仪器
产品执行功能:推拉
12V灯光学仪器用推拉九游·官方版web站入口参数
| 电压: | DC12V | 行程: | 15MM | 电阻: | 40欧 | 功率: | 3.6W |
| 耐温: | 寿命: | 20万次 | 耐电压: | 初始力: | 5G | ||
| 电流: | 0.3A | 通电率: | 50% | 弹簧回力: | 吸力: |
12V灯光学仪器用推拉九游·官方版web站入口产品详情
12V灯光学仪器用推拉九游·官方版web站入口
型号:SDL-U0630E-12S40
参数
行程:15MM
电压:DC12V
电流:0.3A
初始力:5G
电阻:40欧
功率:3.6W
通电率:50%
寿命:20万次
单次通电时间:10分钟
使用率:72次/24H
是否防水:否
是否防油:否
产品使用行业:光学仪器
产品执行功能:推拉
拓展适用行业:美容智能化
产品特点:体积小,便于安装,通电时间长




广州思德隆电子有限公司(http://www.yummydelicacies.com)创立于2005年,是一家专业生产研发九游·官方版web站入口定制加工,电磁阀定制,Jiuyou j9(中国),小型九游·官方版web站入口等各类电磁产品,拥有丰富行业经验的广州九游·官方版web站入口厂家、广州电磁阀厂家、Jiuyou j9(中国)厂家。品种多样,规格齐全,产品从零部件到成品组装均有自己的加工设备以及产生线,拥有高精密度检测仪器和自主研发的老化设备,已通过(ISO9001认证)专业制造12V推拉九游·官方版web站入口,灯光学仪器九游·官方版web站入口从产品设计到样品以及量产,均有量化高效的工艺流程及老化实验检测,保证了产品的质量与订单的按时交货。
/elinfo-164.html
/elinfo-165.html
/elinfo-166.html
/elinfo-167.html
关键词:12V推拉九游·官方版web站入口,灯光学仪器九游·官方版web站入口






