按应用分类
- 公交车投币器九游·官方版web站入口
- 公交车破窗器九游·官方版web站入口
- 车灯九游·官方版web站入口
- 门锁九游·官方版web站入口
- 防坠器九游·官方版web站入口
- 纺织机九游·官方版web站入口
- 裁线机九游·官方版web站入口
- 绣花机九游·官方版web站入口
- 游戏机九游·官方版web站入口
- 打印机九游·官方版web站入口
- 喷码机九游·官方版web站入口
- 端子机九游·官方版web站入口
- 弹珠机九游·官方版web站入口
- 长行程九游·官方版web站入口
- 起重机九游·官方版web站入口
- 大吸力九游·官方版web站入口
- 自动售米机九游·官方版web站入口
- 自动流水线九游·官方版web站入口
- 选色机九游·官方版web站入口
- 振动盘九游·官方版web站入口
- 机械手九游·官方版web站入口
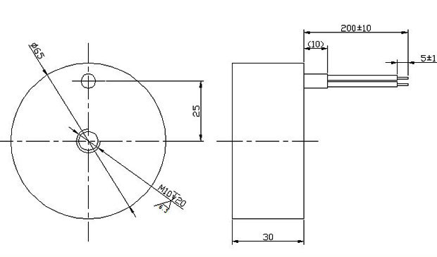
防水耐油强力电吸盘 直流圆形九游·官方版web站入口吸盘
发布日期:2017-4-5 来源:思德隆 标签:九游·官方版web站入口吸盘 浏览次数:8283
型号:SDL-XP6530A-24L45
产品使用对象:自动控制设备
产品执行功能:起重
防水耐油强力电吸盘 直流圆形九游·官方版web站入口吸盘参数
| 电压: | DC24V | 行程: | 电阻: | 45欧 | 功率: | 13W | |
| 耐温: | 寿命: | 50万次 | 耐电压: | 初始力: | 130KG | ||
| 电流: | 0.53A | 通电率: | 100% | 弹簧回力: | 吸力: | 130KG |
防水耐油强力电吸盘 直流圆形九游·官方版web站入口吸盘产品详情
防水耐油强力电吸盘 直流圆形九游·官方版web站入口吸盘
型号:SDL-XP6530A-24L45
参数
电压:DC24V
电流:0.53A
功率:13W
电阻:45欧
初始力:130KG
通电率:100%
寿命:50万次
是否防水:是
是否耐油:是
广州思德隆电子有限公司(http://www.yummydelicacies.com)创立于2005年,是一家专业生产研发九游·官方版web站入口定制加工,电磁阀定制,Jiuyou j9(中国),小型九游·官方版web站入口等各类电磁产品,拥有丰富行业经验的广州九游·官方版web站入口厂家、广州电磁阀厂家、Jiuyou j9(中国)厂家。品种多样,规格齐全,产品从零部件到成品组装均有自己的加工设备以及产生线,拥有高精密度检测仪器和自主研发的老化设备,已通过(ISO9001认证)专业制造车灯九游·官方版web站入口/透镜九游·官方版web站入口从产品设计到样品以及量产,均有量化高效的工艺流程及老化实验检测,保证了产品的质量与订单的按时交货。
/elinfo-167.html
/coinfo-34.html
/coinfo-35.html
/coinfo-36.html
/vainfo-19.html
关键词:防水耐油电吸盘,强力电吸盘,直流九游·官方版web站入口吸盘,圆形九游·官方版web站入口吸盘

.jpg)
.jpg)

.jpg)





