按应用分类
- 公交车投币器九游·官方版web站入口
- 公交车破窗器九游·官方版web站入口
- 车灯九游·官方版web站入口
- 门锁九游·官方版web站入口
- 防坠器九游·官方版web站入口
- 纺织机九游·官方版web站入口
- 裁线机九游·官方版web站入口
- 绣花机九游·官方版web站入口
- 游戏机九游·官方版web站入口
- 打印机九游·官方版web站入口
- 喷码机九游·官方版web站入口
- 端子机九游·官方版web站入口
- 弹珠机九游·官方版web站入口
- 长行程九游·官方版web站入口
- 起重机九游·官方版web站入口
- 大吸力九游·官方版web站入口
- 自动售米机九游·官方版web站入口
- 自动流水线九游·官方版web站入口
- 选色机九游·官方版web站入口
- 振动盘九游·官方版web站入口
- 机械手九游·官方版web站入口
机械自动化设备用圆管推拉式九游·官方版web站入口
发布日期:2017-6-21 来源:思德隆 标签:推拉式九游·官方版web站入口 浏览次数:6898
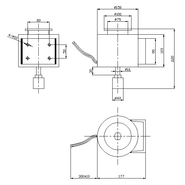
型号:SDL-o75150B-220S200
产品使用对象:机械自动化
产品执行功能:推拉
机械自动化设备用圆管推拉式九游·官方版web站入口参数
| 电压: | DC220V | 行程: | 20~30MM | 电阻: | 200 | 功率: | 242W |
| 耐温: | 寿命: | 10万次 | 耐电压: | 初始力: | 20KG | ||
| 电流: | 1.1A | 通电率: | 10% | 弹簧回力: | 吸力: | 20KG |
机械自动化设备用圆管推拉式九游·官方版web站入口产品详情
机械自动化设备用圆管推拉式九游·官方版web站入口
型号:SDL-o75150B-220S200
参数
行程:20~30MM
电压:DC220V
电流:1.1A
电阻:200
功率:242W
初始力:20KG
通电率:10%
寿命:10万次
单次通电时间:瞬间
产品使用行业:机械自动化
产品执行功能:推拉
拓展适用行业:自动生产线九游·官方版web站入口
产品特点:体积小,力量大。



/coinfo-40.html
/coinfo-39.html
/elinfo-183.html
/elinfo-182.html
广州思德隆电子有限公司(/)创立于2005年,是一家专业生产研发九游·官方版web站入口定制加工,小型九游·官方版web站入口等各类电磁产品,拥有丰富行业经验的广州九游·官方版web站入口厂家、电磁阀厂家。品种多样,规格齐全,产品从零部件到成品组装均有自己的加工设备以及产生线,拥有高精密度检测仪器和自主研发的老化设备,专业制造机械自动化设备用圆管推拉式九游·官方版web站入口从产品设计到样品以及量产,均有量化高效的工艺流程及老化实验检测,保证了产品的质量与订单的按时交货。
关键词:圆管推拉式九游·官方版web站入口






