按应用分类
- 公交车投币器九游·官方版web站入口
- 公交车破窗器九游·官方版web站入口
- 车灯九游·官方版web站入口
- 门锁九游·官方版web站入口
- 防坠器九游·官方版web站入口
- 纺织机九游·官方版web站入口
- 裁线机九游·官方版web站入口
- 绣花机九游·官方版web站入口
- 游戏机九游·官方版web站入口
- 打印机九游·官方版web站入口
- 喷码机九游·官方版web站入口
- 端子机九游·官方版web站入口
- 弹珠机九游·官方版web站入口
- 长行程九游·官方版web站入口
- 起重机九游·官方版web站入口
- 大吸力九游·官方版web站入口
- 自动售米机九游·官方版web站入口
- 自动流水线九游·官方版web站入口
- 选色机九游·官方版web站入口
- 振动盘九游·官方版web站入口
- 机械手九游·官方版web站入口
48V强力圆管式推拉九游·官方版web站入口定制
发布日期:2017-7-19 来源:思德隆 标签:推拉九游·官方版web站入口 浏览次数:5630
型号:SDL-o2028C-48S16
产品使用对象:智能机械人
产品执行功能:推拉机械手
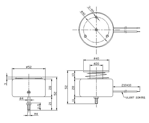
48V强力圆管式推拉九游·官方版web站入口定制参数
| 电压: | DC48V | 行程: | 10MM | 电阻: | 16 | 功率: | 144W |
| 耐温: | 寿命: | 20万次 | 耐电压: | 初始力: | 2KG | ||
| 电流: | 3A | 通电率: | 弹簧回力: | 吸力: |
48V强力圆管式推拉九游·官方版web站入口定制产品详情
48V强力圆管式推拉九游·官方版web站入口定制
型号:SDL-o2028C-48S16
参数
行程:10MM
电压:DC48V
初始力:2KG
电流:3A
电阻:16
功率:144W
寿命:20万次
单次通电时间:1S
反应速度:50MS
温升要求:65
产品使用行业:智能机械人
产品执行功能:推拉机械手
拓展适用行业:自动化设备
产品特点:体积小,有安装法兰,行程大。




广州思德隆电子有限公司(/)创立于2005年,是一家专业生产研发九游·官方版web站入口定制加工,小型九游·官方版web站入口等各类电磁产品,拥有丰富行业经验的广州九游·官方版web站入口厂家、广州电磁阀厂家、Jiuyou j9(中国)厂家。品种多样,规格齐全,产品从零部件到成品组装均有自己的加工设备以及产生线,拥有高精密度检测仪器和自主研发的老化设备,已通过(ISO9001认证)专业制造48V强力圆管式推拉九游·官方版web站入口从产品设计到样品以及量产,均有量化高效的工艺流程及老化实验检测,保证了产品的质量与订单的按时交货。
/coinfo-41.html
/elinfo-192.html
/elinfo-191.html
/elinfo-190.html
/elinfo-188.html
/elinfo-187.html
关键词:强力圆管式推拉九游·官方版web站入口






