按应用分类
- 公交车投币器九游·官方版web站入口
- 公交车破窗器九游·官方版web站入口
- 车灯九游·官方版web站入口
- 门锁九游·官方版web站入口
- 防坠器九游·官方版web站入口
- 纺织机九游·官方版web站入口
- 裁线机九游·官方版web站入口
- 绣花机九游·官方版web站入口
- 游戏机九游·官方版web站入口
- 打印机九游·官方版web站入口
- 喷码机九游·官方版web站入口
- 端子机九游·官方版web站入口
- 弹珠机九游·官方版web站入口
- 长行程九游·官方版web站入口
- 起重机九游·官方版web站入口
- 大吸力九游·官方版web站入口
- 自动售米机九游·官方版web站入口
- 自动流水线九游·官方版web站入口
- 选色机九游·官方版web站入口
- 振动盘九游·官方版web站入口
- 机械手九游·官方版web站入口
摆动式九游·官方版web站入口定制_工控自动分拣九游·官方版web站入口
发布日期:2017-7-31 来源:思德隆 标签:九游·官方版web站入口定制 浏览次数:6634
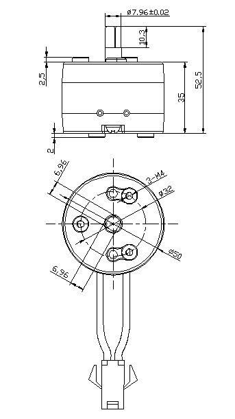
型号:SDL-BD0835A-24L8.4
产品使用对象:游戏机震感仿真
产品执行功能:高速翻转、分拣、震动
摆动式九游·官方版web站入口定制_工控自动分拣九游·官方版web站入口参数
| 电压: | DC24V | 行程: | 2MM | 电阻: | 功率: | ||
| 耐温: | 寿命: | 1千万次 | 耐电压: | 初始力: | 2KGF | ||
| 电流: | 2.86A | 通电率: | 5% | 弹簧回力: | 吸力: |
摆动式九游·官方版web站入口定制_工控自动分拣九游·官方版web站入口产品详情
摆动式九游·官方版web站入口定制_工控自动分拣九游·官方版web站入口
型号:SDL-BD0835A-24L8.4
参数
行程:2MM
电压:DC24V
电流:2.86A
初始力:2KGF
通电率:5%
寿命:1千万次
反应速度:10次/秒
环境温度:负20到30度
产品使用行业:游戏机震感仿真
产品执行功能:高速翻转、分拣、震动
拓展适用行业:自动分拣机械、快门控制
产品特点:双向旋转,自保持,扭力大,20MS响应时间,1000万次寿命。




广州思德隆电子有限公司(/)创立于2005年,是一家专业生产研发九游·官方版web站入口定制加工,电磁阀定制等各类电磁产品,拥有丰富行业经验的广州九游·官方版web站入口厂家、广州电磁阀厂家。品种多样,规格齐全,产品从零部件到成品组装均有自己的加工设备以及产生线,拥有高精密度检测仪器和自主研发的老化设备,已通过(ISO9001认证)专业制造摆动式九游·官方版web站入口定制_工控自动分拣九游·官方版web站入口从产品设计到样品以及量产,均有量化高效的工艺流程及老化实验检测,保证了产品的质量与订单的按时交货。
/elinfo-200.html
/elinfo-199.html
/elinfo-198.html
/elinfo-197.html
/elinfo-196.html
关键词:摆动式九游·官方版web站入口定制,工控自动分拣九游·官方版web站入口




